Guincho Elétrico E9500XS

Guinchos Acionamento Elétrico DC
Guinchos de acionamento elétrico 12V e 24V para aplicações veiculares. Indicados para off-road, reboque de veículos, barcos, cargas e nas mais variadas aplicações.
- Motor de extrema potência 5.5hp / 4.1kw
- Solenoide e barramento resistente a maior amperagem.
- Duplo sistema de vedação motor e redutor.
- Sistema de fixação do cabo de aço padrão Ekron, fácil reposição e manutenção.
- Sistema de freio mais eficiente proporcionando menos ruído na operação.
- Controle ainda mais anatômico e resistente a impactos.
- Controle sem fio (wireless) de série.
- Cabo sintético e guia de alumínio (opcional).
- Acionamento 24V (opcional).
Especificações
| ESPECIFICAÇÕES TÉCNICAS E9500XS | |
| Sistema de vedação e impermeabilização extrema | Atende ao padrão IP65 |
| Força de arrasto | 9500 lbs (4310 Kgf) primeira camada em linha de cabo direta (sem roldana) |
| Motor | 12V – 5.5 hp 4,1wk, Series Wound (opcional 24V) |
| Caixa de solenóide | Integrada ao conjunto, ligação através de barramentos elétricos |
| Controle remoto de acionamento | Acionamento manual com fio de 3,7m |
| Cabos de ligação elétrica | 2x Diâmetro de 25mm X 1,83m |
| Caixa de redução | Redutor tipo engrenagens planetária 3 estágios |
| Redução | 265:1 |
| Liberação do tambor | Alavanca de liberação rápida com acionamento manual |
| Freio | Cônico de acionamento automático Out-Of |
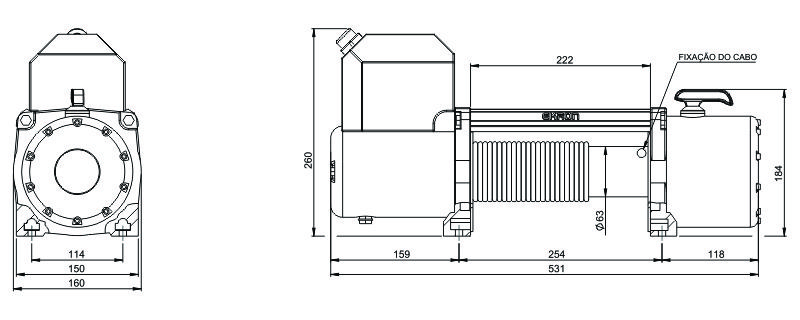
| Dimensões do tambor | Diâmetro de 63mm X 222mm de comprimento |
| Cabo de aço | 28 metros de cabo de aço diâmetro 5/16″ (8mm) galvanizado com gancho
Opcional: 30metros X Φ 8mm; Cabo de fibra sintética trançado de 12 pernas tipo DSN Dyneema HMPE SK78) alto módulo (HMPE) com coating amarelo em toda extensão do cabo |
| Guia de cabo | Guia de cabo 4 rolos (bocal roletado)
Opcional Guia de alumínio para cabo sintético |
| Bateria | Recomendado 650 CCA |
| Peso do conjunto | 44 kg – com cabo de aço e guia 4 rolos
35 kg – com cabo sintético e guia de alumínio |
| Dimensões externas ( LxAxC ) | Largura 160mm X Altura 260mm X comprimento 531mm |
| Dimensões de fixação | 254mm (10″) X 114mm (4,5″) |
| Tabela de desempenho Carga X Velocidade X Corrente | ||
| Carga de trabalho (kg / lbs) | Velocidade (m/min) | Corrente do motor (Amps) |
| 0 | 6,80 | 62 |
| 2000 (909) | 3,90 | 118 |
| 6000 (2727) | 2,50 | 210 |
| 8000 (3636) | 2,10 | 270 |
| 9500 (4310) | 1,70 | 390 |
| Tabela de desempenho Capacidade por camada de cabo no tambor | ||||
| Camada de cabo | 1 | 2 | 3 | 4 |
| Limite de carga na camada (kg / lbs) | 12500 (5670) | 9500 (4300) | 6500 (2940) | 5700 (2580) |
| Quantidade de cabo de aço armazenada (metros) | 5,4 | 11,4 | 21,0 | 28 |

